Електронні пристрої

Reflow Plate (DIY)

Електроніка: Друковані плати
Ціна: 50 грн

в наявності

+

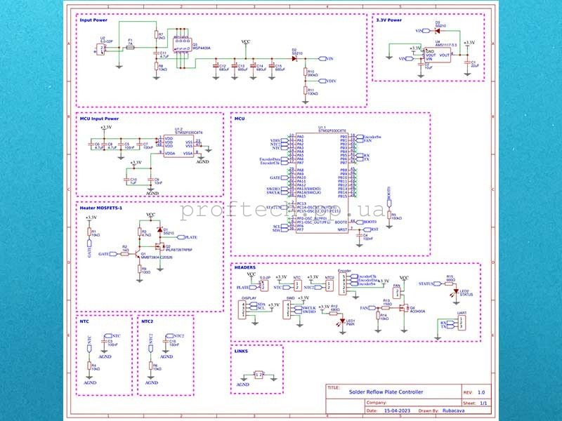
Друкована плата контролера для пайки плат смд на МК STM32

Фунціонал

  • Підтримка NTC за допомогою кривої RT таблиці або апроксимації Стейнхарта
  • Поворотний енкодер
  • Широка підтримка OLED-дисплеїв завдяки U8G2
  • Автоматичний та ручний режими
  • Перевіряє температурний розгін в автоматичному режимі
  • Вибір профілю та побудова графіка
  • Динамічне регулювання струму ШІМ для обмеження струму
  • Скрипт автоматичного імпорту CubeMx
  • Просте налаштування та розширення
  • Попереднє нагрівання та охолодження вентилятором

Додаткова комплектація *

  • Розпаяні смд (R, C, D, VT) - 60 грн
  • Алюмінієва нагрівальна пластина 85*95мм - 130 грн
  • Енкодер - 40 грн

детальний опис - github.com/Berkays/ReflowPlate

Задати питання