Електронні пристрої

АмперВольтметр на ATmega8

Електроніка: Тестери, вимірювачі
Ціна: 120 грн

в наявності

+

Зібрана плата ампервольтметра на ATmega8

Стабілізатор 7812 за замовчуваннямі відсутній.

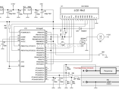
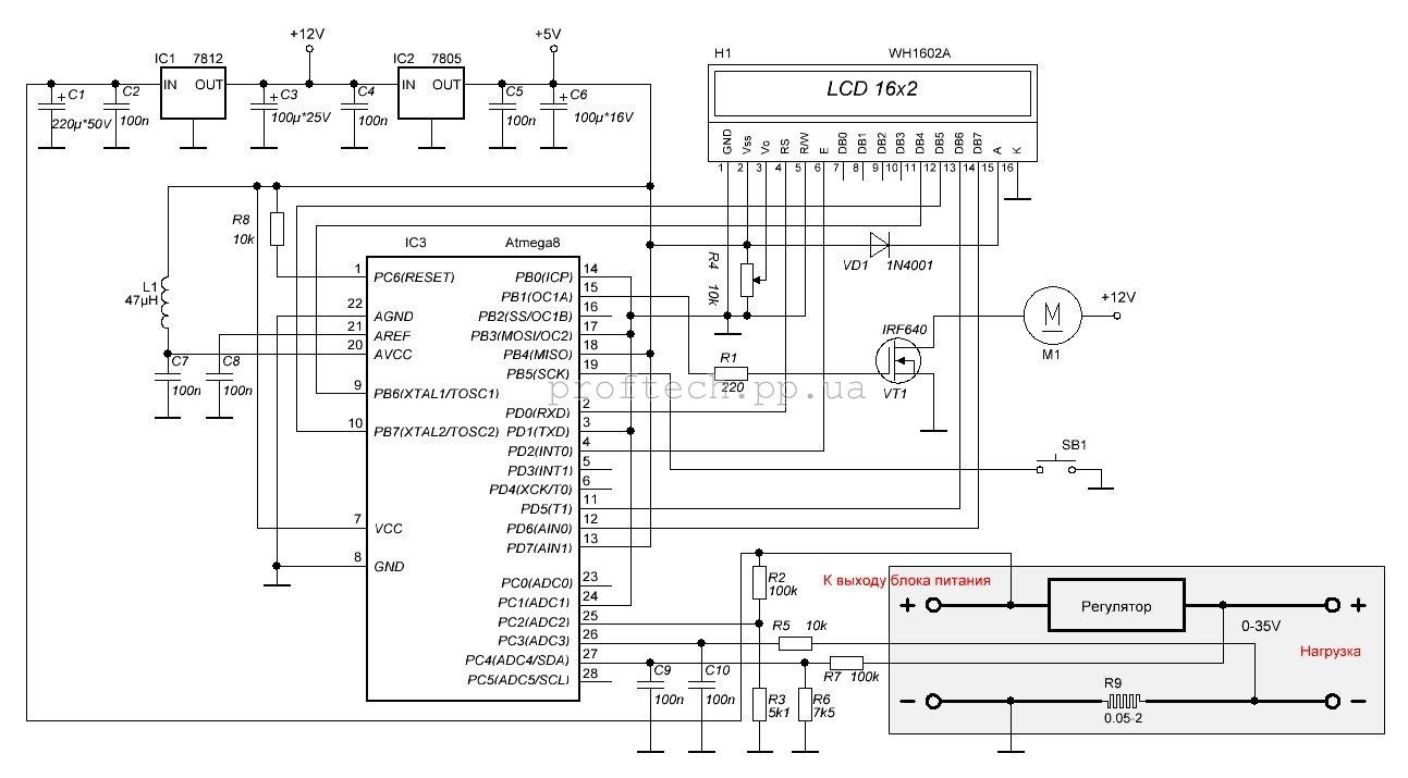
- зібраний на МК ATmega8 фірми ATMEL;
- вимірювана напруга: 0-30V;
- дискретність вимірюваної напруги: 10mВ;
- вимірюваний струм: 0-99А;
- Дискретність вимірюваного струму: 10mA (залежно від поточного значення резистора*);
- сайт автора http://elfly.pl

Додаткова комплектація *

  • МК atmega 8 DIP28 (прошитий) + 130 грн
  • Індикатор 1602 + 110 грн

Детальний опис ампервольтметра на ATmega8

Задати питання