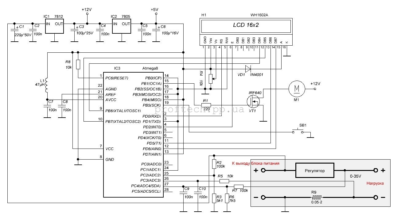
Друкована плата для збирання ампервольтметра на ATmega8
Технічні характеристики
- зібраний на МК ATmega8 фірми ATMEL;
- вимірювана напруга: 0-30V;
- дискретність вимірюваної напруги: 10mВ;
- вимірюваний струм: 0-99А;
- Дискретність вимірюваного струму: 10mA (залежно від поточного значення резистора*);
- сайт автора http://elfly.pl
Підключення:
- VCC +12V
- +, - вихід БЖ
- +BP напруга БЖ до регулятора
- M1 - вентилятор охолодження
Додаткова комплектація *
- Комплект деталей (без МК) + 50 грн
- МК atmega 8 DIP28 (прошитий) + 130 грн
- Індикатор 1602 + 110 грн
